銷售熱線
技術熱線:0576-85183757
銷售電話:0576-85182037
技術電話:0576-85183757
傳真號碼:0576-85182843
聯系郵箱:haihong@cn-hydraulic.com
公司地址:浙江省臨海市江南街道金嶺路199號
產品特點
轉向靈活可靠,以低壓小流量控制高壓大流量;
采用負載反饋控制原理,使工作壓力與負載壓力的差值始終保持為定值;
保證轉向優先,可與工作系統合流;
可與SXH25卸載閥配套使用,當工作系統高壓時,實現轉向系統卸荷功能,節能效果顯著。
應用領域
該流量放大閥主要應用于裝載機和叉裝機等工程機械的轉向系統。
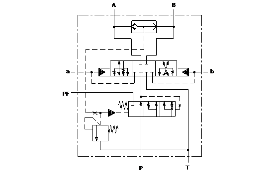
液壓原理圖
技術參數(對超出下述參數的應用場合,請與我公司聯系)
|
概述 |
|
|
結構 |
整體式 |
|
油口連接方式 |
法蘭連接、螺紋連接 |
|
安裝方式 |
見外形圖 |
|
安裝螺栓扭矩 N.m |
79~102 |
|
重量KG |
22.4 |
|
液壓 |
|
|
公稱壓力 bar |
200 |
|
公稱流量 L/min |
160 |
|
穩態輸出流量 L/min |
80~145 |
|
安全閥壓力調定范圍 bar |
140~190 |
|
液壓油溫度范圍℃ |
-20~+120 |
|
粘度范圍m2/s |
10~380 |
|
油液允許的污染等級 |
-/19/16 (ISO4406:1999) |
產品外形圖
相關產品
銷售熱線:0576-85182037
友情鏈接: 多路閥系列 先導閥系列 制動閥系列 操縱閥系列 農機閥系列 轉向閥系列 Sitemap TXT Sitemap XML 網站地圖

微信官網

手機官網