銷售熱線
技術熱線:0576-85183757
銷售電話:0576-85182037
技術電話:0576-85183757
傳真號碼:0576-85182843
聯系郵箱:haihong@cn-hydraulic.com
公司地址:浙江省臨海市江南街道金嶺路199號
產品特點(OBV)
制動靈敏,制動微動性能好;
控制方式:腳踏連桿式;
密封形式:采用單向閥和錐閥的密封,泄漏量小;
N口可根據需要接轉向系統或回油;
工作形式:采用比例減壓閥結構,隨著腳踏力的不同,輸出不同的壓力。
產品特點(HXQ)
密封形式:采用單向閥和活塞密封形式,泄漏量小;
連接方式:與OBV-L25E連接,實現充液功能;
安全裝置: 蓄能保壓結構設置有安全閥;
結構特點:彈簧式活塞式和充氮活塞式蓄能器;
應用領域
主要用于5~10噸叉車、或同等噸位其它工程機械的制動系統;
液壓原理圖
技術參數(OBV)(對超出下述參數的應用場合,請與我公司聯系)
|
概述 |
|
|
連接方式 |
整體式 |
|
控制方式 |
比例減壓 |
|
安裝方式 |
見外形圖 |
|
油口連接方式 |
螺紋 |
|
通徑 mm |
10 |
|
重量 Kg |
1.9 |
|
液壓 |
|
|
公稱流量 L/min |
25 |
|
公稱壓力bar |
160 |
|
制動壓力 bar |
100 |
|
制動響應時間 s |
0.3 |
|
允許最大回油背壓bar |
1 |
|
液壓油溫度范圍℃ |
-20~+100 |
|
粘度范圍m2/s |
10~380 |
|
油液允許的污染等級 |
-/19/16 (ISO4406:1999) |
|
機械 |
|
技術參數(HXQ)(對超出下述參數的應用場合,請與我公司聯系)
|
概述 |
|
|
結構 |
彈簧活塞式和充氮活塞式 |
|
控制方式 |
壓力控制 |
|
安裝方式 |
見外形圖 |
|
油口連接方式 |
螺紋 |
|
通徑 mm |
10 |
|
重量 Kg |
12.1(HXQ-00b)、 13.2(HXQ-00a) |
|
液壓 |
|
|
公稱壓力 bar |
90 |
|
允許最大回油背壓 bar |
15 |
|
報警開關電壓 V |
12~24 |
|
蓄能器容積 ml |
0.3 |
|
報警壓力 bar |
60 |
|
安全閥壓力 bar |
125 |
|
液壓油溫度范圍℃ |
-20~+100 |
|
粘度范圍m2/s |
10~380 |
|
油液允許的污染等級 |
-/19/16 (ISO4406:1999) |
|
機械 |
|
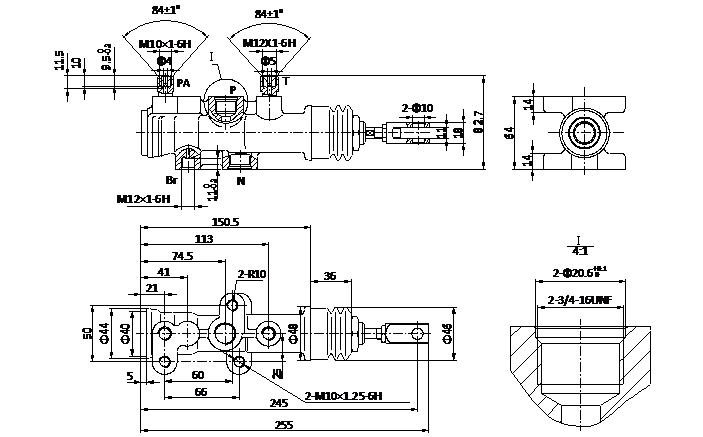
產品外形圖(OBV)
產品外形圖(HXQ)
相關產品
銷售熱線:0576-85182037
友情鏈接: 多路閥系列 先導閥系列 制動閥系列 操縱閥系列 農機閥系列 轉向閥系列 Sitemap TXT Sitemap XML 網站地圖

微信官網

手機官網